H K Industries manufacturer of steam jet ejector systems and vacuum pumps
H.K.Industries
Vacuum Technologist
Get A Quote Application Client List Contact us

      The diagram illustrates basic ejector operation: Motivating fluid is filtered in the reformer. A high pressure motivating fluid enters at (1) and expands through the converging-diverging nozzle to (2); the suction fluid enters at (3) and mixes with the motivating fluid in the mixing chamber (4); both are then recompressed through the diffuser to (5).

H K Industries is a leading manufacturer of multi-stage steam ejector systems in the Country. Our ejectors are used in large variety of applications.Some of these involve distillation ,filtration, drying, degassing,deodourizing, deaeration, crystallization and many others.

       Ejector systems are available in unlimited range of capacities and can produce as low as 1 milli torr or 0.133Pa with steam pressure as low as 2 ata or 202.6 KPa .Our ejector systems provides water cooled shell and tube condensers or direct cooled condensers.We also provide our customers with minimum steam consumption at the required pressure, proving it to be the most economical form of ejector system.

       We have tested ejector systems against actual stipulated customer conditions to gather future reference,thereby increasing our capacity to serve our customer needs.This enables us to offer an additional advantage of guaranteed performance efficiency and trouble free equipment.

       We have sold thousands of ejector systems and majority of them are in continuous use and operating precisely as per design data, is testimony to to soundness of our design facility.

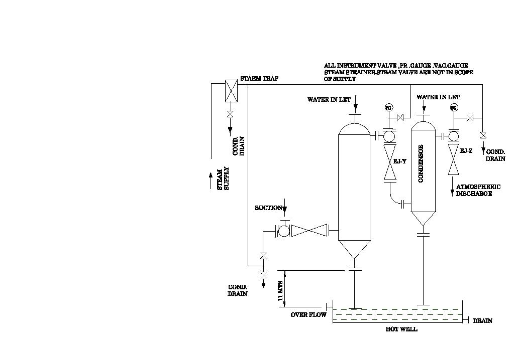
      Steam ejector system ,if not installed with a proper know-how ruins the process.We commision the whole system and even provide our clients manuals to help them solve their problems with ease. is shown in the drawing.

PRODUCT NAME FLUID USED         MATERIAL OF CONSTRUCTION        
STEAM EJECTORS

 

Motive fluid:STEAM

SS316,SS304,GRAPHITE

Multi Stage Ejector System        P & I Diagram

Liquid Jet Ejector system Mixing Eductor Rotary piston vacuum pumps Liquid Ring vacuum Pumps Scrubber Systems Heat Exchangers Plants HCL Absorbers